Introduction
The BestPack PLC with DAS control panel has provisions for interlocking the machine to an upstream conveyor or indexer for the purpose of providing carton spacing or index control. Properly indexed cartons allow the machine to cycle correctly with sufficient space between boxes and prevent boxes from being taped to each other. Back-to-Back boxes or operating with back pressure can cause tape faults, prevent proper cycling and prematurely damage wear components. This article will provide instruction specific to the ARX indexer, although the control principle is the similar for a conveyor.
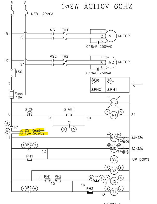
The BP_PLC control panel has a normally-open dry contact on Relay#2 (R2) for signaling the upstream to release a box. The dry contact is broken out to wire numbers 9 & 10 which are landed at the terminal blocks for field wiring. When the machine is ready for a box, R2 will activate and the dry contact closes. When the machine is faulted, stopped, or busy, R2 drops out. The exact behavior of the upstream interlock can be modified in the DAS configuration settings to either toggle the upstream every box cycle or only turn off if the machine faulted.
NOTE: The interlock does NOT transfer all controls (Start/stop/power) to one machine; both machines still need to be started independently.
Schematics *Full schematics can be found in the machine manuals*
- BP_PLC Control Panel
- ARX Indexer
Procedure
- Please Follow ALL applicable LOTO Procedures.
- Deenergize BOTH electrical panels, before starting any electrical work.
- Approximately 5' of 2conductor 18awg cable is needed to make this modification.
1) Wiring
1.1: The BP_PLC control panel ships ready to interface with the Upstream. Simply land a 2-conductor cable on terminals 9 & 10.
1.2 The ARX control panel (currently 04/2026) requires a slight wiring change: The #11 wires at the bottom of Relay 1 socket need to be moved to a spare screw terminal block which is usually between S1 and R. Before:
Once #11 are moved, the other end of the 2C cable can be landed where the #11's used to be on R1, and at #11 new terminal location. After:
If you pulled the ice cube relay out of R1 like shown in the picture above, please reinstall.
Comments
0 comments
Please sign in to leave a comment.