Recommended Cleaner:
- WD-40 is for daily cleaning
- Goof Off (which contains Xylene) is for heavy buildup or tough-to-remove residues.
Recommended Oils:
- 3-IN-ONE Machine Oil: Multi-purpose Oil
- 3-IN-ONE All-Temperature Silicone Oil
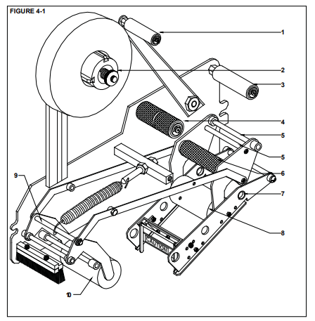
How to clean the Tapehead blade: (Daily)
- Check the erector plate Functionality
- Check for Internal interference
- Do Not add cleaner directly to the Blade.
- Add cleaner directly onto a rag or towel, then pull down on the Blade to remove the buildup.
- Consistent daily use of WD-40 should minimize the need for Goof Off. (You can use the recommended oil instead)
- Add the recommended Oil to the Blade Guard Cushion (You can use Any Oil, but the above oils are our recommendation)
- Inspect All Rollers for Smooth Operation
- Clean / blow with compressed Air.
Lubrication: (Monthly)
- Add 2 to 3 drops of Oil to the Pivot point listed above.
- Add 2 to 3 drops of Oil to all Roller Axles except for Mandral.
- Then, actuate the blade arm and roller arm assembly 5-10 times.
- Repeat Daily
- Wipe down the Tape head
Inspect Tapehead:(Semi-Annually)
- Inspect the Tapehead for any issues.
- Check rollers and blades for damage and replace them as needed.
- Check for buildup, then clean.
- Check for loose screws and tighten as needed.
- Repeat Monthly
Cleaning Tapehead:(Annually)
- Spray WD-40 onto Pivot points
- Wipe clean with a Clean Rag
- Repeat Semi-Annually
Comments
0 comments
Article is closed for comments.